G型衛生級螺桿泵簡介
G型衛生食品級螺桿泵是利用螺桿的回轉來吸排液體。中間螺桿為主動螺桿,由原動機帶動回轉,兩邊的螺桿為從動螺桿,隨主動螺桿作反向旋轉。主動和從動螺桿的螺紋均為雙頭螺紋。由于各螺桿的相互嚙合和螺桿與襯筒內壁的緊密配合,在泵的吸入口和排出口之間,形成一個或多個密封空間。隨著螺桿的轉動和嚙合,在泵的吸入端不斷形成密封空間,將吸入室中的液體封入其中,并自吸入室沿螺桿軸向連續地推移至排出端,將封閉在各空間中的液體不斷排出,猶如一螺母在螺紋回轉時被不斷向前推進的情形那樣,這就是G型單螺桿泵的工作原理。
G型單螺桿泵結構圖

G型衛生級螺桿泵的特點
1、G型單螺桿泵定子與轉子接觸的螺旋封線將吸入腔與排出腔完全分開,使泵具有閥門一樣的隔斷作用;
2、G型單螺桿泵可實現液、氣、固體的多相混合輸送;
3、泵內流體流動時容積不發生變化,沒有湍流攪動和脈動;
4、彈性定子形成的容積腔能有效地降低輸送含固體顆粒介質時的磨耗;
5、輸入介質粘度可達 50,000Mpa · s 含固量可達 50% ;
6、流量與轉速成正比,借助調速器可實現流量的自動調節,可正反向輸送。
G型衛生級螺桿泵具有以下優點
● G型單螺桿泵與離心泵相比,螺桿泵無需安裝閥門,流量是穩定的線性流動;
● G型單螺桿泵與柱塞泵相比,螺桿泵自吸能力強、吸入高度更高;
● G型單螺桿泵與隔膜泵相比,螺桿泵可輸送各種混合雜質,如含有氣體和固體顆粒或纖維的介質,也可輸送各種腐蝕性物質;
● G型單螺桿泵與齒輪泵相比,螺桿泵可輸送高粘度的物質;
● G型單螺桿泵與柱塞泵,隔膜泵及齒輪泵不同的是,螺桿泵可用于藥劑填充和計量。
G型衛生級螺桿泵性能參數
| 型號 | 流量 (m3/h) | 壓力 (Mpa) | 允許 高轉數 (r/min) | 電機 功率 (kw) | 必需汽 蝕余量 (m) | 進口法 | 出口法 蘭通徑 (mm) | 允許顆 粒直徑 (mm) | 允許纖 維長度 (mm) |
| G20-1 | 0.8 | 0.6 | 960 | 0.75 | 4 | 25 | 25 | 1.5 | 25 |
| G20-2 | 1.2 | 1.5 | |||||||
| G25-1 | 2 | 0.6 | 960 | 1.5 | 32 | 25 | 2 | 30 | |
| G25-2 | 1.2 | 2.2 | |||||||
| G30-1 | 5 | 0.6 | 960 | 2.2 | 50 | 40 | 2.5 | 35 | |
| G30-2 | 1.2 | 3 | |||||||
| G35-1 | 8 | 0.6 | 960 | 3 | 65 | 50 | 3 | 40 | |
| G35-2 | 1.2 | 4 | |||||||
| G40-1 | 12 | 0.6 | 960 | 4 | 80 | 65 | 3.8 | 45 | |
| G40-2 | 1.2 | 5.5 | |||||||
| G50-1 | 20 | 0.6 | 960 | 5.5 | 4.5 | 100 | 80 | 5 | 50 |
| G50-2 | 1.2 | 7.5 | |||||||
| G60-1 | 30 | 0.6 | 720 | 11 | 5 | 125 | 100 | 6 | 60 |
| G60-2 | 1.2 | 15 | |||||||
| G70-1 | 45 | 0.6 | 720 | 11 | 150 | 125 | 8 | 70 | |
| G70-2 | 1.2 | 18.5 | |||||||
| G85-1 | 65 | 0.6 | 630 | 15 | 150 | 150 | 10 | 80 | |
| G85-2 | 1.2 | 30 | |||||||
| G105-1 | 100 | 0.6 | 500 | 30 | 200 | 200 | 15 | 110 | |
| G105-2 | 1.2 | 55 | |||||||
| G135-1 | 150 | 0.6 | 400 | 45 | 250 | 250 | 20 | 150 | |
| G135-2 | 1.2 | 90 |
單級,由齒輪變速、電磁調速電機加齒輪變速或無級變速電機加齒輪變速時的性能參
| 型號 | 壓力0.3Mpa | 壓力0.6Mpa | 可調轉數 | ||||||
| 轉數 (r/min) | 流量 (m3/h) | 電動機 功率 (kw) | 轉數 (r/min) | 流量 (m3/h) | 電動機 功率 (kw) | 轉數 (r/min) | 流量 (m3/h) | 電動機 功率 (kw) | |
| G20-1 | 960 | 0.96 | 0.75-6級 | 960 | 0.8 | 0.75-6級 | 125~1250 | 0.1~1.5 | 1.1 |
| 720 | 0.8 | 0.55-8級 | 720 | 0.5 | 0.75-8級 | ||||
| 510 | 0.4 | 0.55-4級/齒輪箱 | 510 | 0.3 | 0.75-4級/齒輪箱 | ||||
| G25-1 | 960 | 2.4 | 0.75-6級 | 960 | 2 | 1.5-6級 | 125~1250 | 0.1~3 | 1.5 |
| 720 | 1.5 | 0.55-8級 | 720 | 1.27 | 1.1-8級 | ||||
| 510 | 1.08 | 0.55-4級/齒輪箱 | 510 | 0.9 | 1.1-4級/齒輪箱 | ||||
| G30-1 | 960 | 3.6 | 1.5-6級 | 960 | 3 | 2.2-6級 | 125~1250 | 0.2~4 | 2.2 |
| 720 | 2.28 | 1.1-8級 | 720 | 1.9 | 1.5-8級 | ||||
| 510 | 1.63 | 1.1-4級/齒輪箱 | 510 | 1.35 | 1.5-4級/齒輪箱 | ||||
| G35-1 | 720 | 4.8 | 2.2-8級 | 720 | 4.04 | 3-8級 | 125~890 | 0.3~5 | 3 |
| 510 | 3.36 | 1.5-4級/齒輪箱 | 510 | 2.8 | 2.2-4級/齒輪箱 | ||||
| 380 | 1.92 | 1.1-4級/齒輪箱 | 380 | 1.60 | 1.5-4級/齒輪箱 | ||||
| G40-1 | 510 | 6.8 | 2.2-4級/齒輪箱 | 510 | 5.6 | 3-4級/齒輪箱 | 125~890 | 0.3~10 | 4 |
| 380 | 5.1 | 1.5-4級/齒輪箱 | 380 | 4 | 2.2-4級/齒輪箱 | ||||
| 252 | 2.65 | 1.1-6級/齒輪箱 | 252 | 2.2 | 1.5-6級/齒輪箱 | ||||
| G50-1 | 510 | 13.8 | 4-4級/齒輪箱 | 510 | 11.5 | 5.5-4級/齒輪箱 | 80~750 | 1~18 | 5.5 |
| 380 | 10.2 | 4-4級/齒輪箱 | 380 | 7.5 | 5.5-4級/齒輪箱 | ||||
| 252 | 5.6 | 3-6級/齒輪箱 | 252 | 4.4 | 5.5-6級/齒輪箱 | ||||
| G60-1 | 510 | 20.8 | 7.5-4級/齒輪箱 | 510 | 16 | 11-4級/齒輪箱 | 63~630 | 1~20 | 11 |
| 380 | 15.6 | 7.5-4級/齒輪箱 | 380 | 12 | 11-4級/齒輪箱 | ||||
| 252 | 7.8 | 5.5-6級/齒輪箱 | 252 | 6 | 7.5-6級/齒輪箱 | ||||
| G70-1 | 510 | 26 | 11-4級/齒輪箱 | 510 | 20 | 11-4級/齒輪箱 | 56~560 | 1~22 | 11 |
| 380 | 17 | 7.5-4級/齒輪箱 | 380 | 13 | 11-4級/齒輪箱 | ||||
| 252 | 9.1 | 7.5-6級/齒輪箱 | 252 | 7 | 7.5-6級/齒輪箱 | ||||
| G85-1 | 380 | 32 | 11-4級/齒輪箱 | 380 | 25 | 15-4級/齒輪箱 | 37~370 | 2~24 | 15 |
| 252 | 21 | 7.5-6級/齒輪箱 | 252 | 16 | 11-6級/齒輪箱 | ||||
| 189 | 11 | 5.5-8級/齒輪箱 | 189 | 8 | 11-8級/齒輪箱 | ||||
| G105-1 | 380 | 80 | 15-4級/齒輪箱 | 380 | 65 | 22-4級/齒輪箱 | 29~290 | 3~50 | 22 |
| 252 | 44 | 15-6級/齒輪箱 | 252 | 34 | 22-6級/齒輪箱 | ||||
| 189 | 29 | 11-8級/齒輪箱 | 189 | 22 | 15-8級/齒輪箱 | ||||
| G135-1 | 380 | 132 | 37-4級/齒輪箱 | 380 | 120 | 45-4級/齒輪箱 | 18~180 | 3~56 | 45 |
| 252 | 95 | 30-6級/齒輪箱 | 252 | 80 | 37-6級/齒輪箱 | ||||
| 189 | 65 | 18.5-6級/齒輪箱 | 189 | 53 | 30-8級/齒輪箱 | ||||
雙級,由齒輪變速、電磁調速電機加齒輪變速或無級變速電機加齒輪變速時的性能參數
| 型號 | 壓力0.8Mpa | 壓力1.2Mpa | 可調轉數 | ||||||
| 轉數 (r/min) | 流量 (m3/h) | 電動機 功率 (kw) | 轉數 (r/min) | 流量 (m3/h) | 電動機 功率 (kw) | 轉數 (r/min) | 流量 (m3/h) | 電動機 功率 (kw) | |
| G20-2 | 960 | 0.96 | 1.5-6級 | 960 | 0.8 | 1.5-6級 | 125~1250 | 0.1~1.5 | 1.5 |
| 720 | 0.8 | 1.1-8級 | 720 | 0.5 | 1.5-8級 | ||||
| 510 | 0.4 | 1.1-4級/齒輪箱 | 510 | 0.3 | 1.1-4級/齒輪箱 | ||||
| G25-2 | 960 | 2.4 | 1.5-6級 | 960 | 2 | 2.2-6級 | 125~1250 | 0.1~3 | 2.2 |
| 720 | 1.5 | 1.1-8級 | 720 | 1.27 | 1.5-8級 | ||||
| 510 | 1.08 | 1.1-4級/齒輪箱 | 510 | 0.9 | 1.5-4級/齒輪箱 | ||||
| G30-2 | 960 | 3.6 | 3-6級 | 960 | 3 | 3-6級 | 125~1250 | 0.2~4 | 3 |
| 720 | 2.28 | 1.5-8級 | 720 | 1.9 | 2.2-8級 | ||||
| 510 | 1.63 | 1.5-4級/齒輪箱 | 510 | 1.35 | 2.2-4級/齒輪箱 | ||||
| G35-2 | 720 | 4.8 | 3-8級 | 720 | 4.04 | 4-8級 | 125~890 | 0.3~5 | 4 |
| 510 | 3.36 | 2.2-4級/齒輪箱 | 510 | 2.8 | 3-4級/齒輪箱 | ||||
| 380 | 1.92 | 1.5-4級/齒輪箱 | 380 | 1.60 | 2.2-4級/齒輪箱 | ||||
| G40-2 | 510 | 6.8 | 4-4級/齒輪箱 | 510 | 5.6 | 5.5-4級/齒輪箱 | 125~890 | 0.3~10 | 5.5 |
| 380 | 5.1 | 3-4級/齒輪箱 | 380 | 4 | 4-4級/齒輪箱 | ||||
| 252 | 2.65 | 2.2-6級/齒輪箱 | 252 | 2.2 | 3-6級/齒輪箱 | ||||
| G50-2 | 510 | 13.8 | 5.5-4級/齒輪箱 | 510 | 11.5 | 7.5-4級/齒輪箱 | 80~750 | 1~18 | 7.5 |
| 380 | 10.2 | 4-4級/齒輪箱 | 380 | 7.5 | 5.5-4級/齒輪箱 | ||||
| 252 | 5.6 | 3-6級/齒輪箱 | 252 | 4.4 | 5.5-6級/齒輪箱 | ||||
| G60-2 | 510 | 20.8 | 15-4級/齒輪箱 | 510 | 16 | 15-4級/齒輪箱 | 63~630 | 1~20 | 15 |
| 380 | 15.6 | 11-4級/齒輪箱 | 380 | 12 | 15-4級/齒輪箱 | ||||
| 252 | 7.8 | 7.5-6級/齒輪箱 | 252 | 6 | 11-6級/齒輪箱 | ||||
| G70-2 | 510 | 26 | 15-4級/齒輪箱 | 510 | 20 | 18.5-4級/齒輪箱 | 56~560 | 1~22 | 18.5 |
| 380 | 17 | 11-4級/齒輪箱 | 380 | 13 | 15-4級/齒輪箱 | ||||
| 252 | 9.1 | 11-6級/齒輪箱 | 252 | 7 | 11-6級/齒輪箱 | ||||
| G85-2 | 380 | 32 | 18.5-4級/齒輪箱 | 380 | 25 | 22-4級/齒輪箱 | 37~370 | 2~24 | 22 |
| 252 | 21 | 15-6級/齒輪箱 | 252 | 16 | 18.5-6級/齒輪箱 | ||||
| 189 | 11 | 15-8級/齒輪箱 | 189 | 8 | 15-8級/齒輪箱 | ||||
| G105-2 | 380 | 80 | 30-4級/齒輪箱 | 380 | 65 | 37-4級/齒輪箱 | 29~290 | 3~50 | 37 |
| 252 | 44 | 30-6級/齒輪箱 | 252 | 34 | 30-6級/齒輪箱 | ||||
| 189 | 29 | 22-8級/齒輪箱 | 189 | 22 | 22-8級/齒輪箱 | ||||
| G135-2 | 380 | 132 | 55-4級/齒輪箱 | 380 | 120 | 75-4級/齒輪箱 | 18~180 | 3~56 | 75 |
| 252 | 95 | 55-6級/齒輪箱 | 252 | 80 | 75-6級/齒輪箱 | ||||
| 189 | 65 | 37-8級/齒輪箱 | 189 | 53 | 45-8級/齒輪箱 | ||||
單、雙級水煤漿工作泵的性能參數
| 泵 型 | 流量 (m3/h) | 工作壓力(Mpa) | 轉數(r/min) | 齒輪減速配套調速電機(kw) |
| G30-2 | ~1 | 1.2 | 30~300 | YCT160/4A-2.2 |
| G35-2 | ~2 | 1.2 | 30~300 | YCT160/4A-2.2 |
| G40-2 | ~3 | 1.2 | 30~280 | YCT160/4A-3 |
| G50-1 | ~4.5 | 0.6 | 28~280 | YCT180/4A-4 |
| G50-2 | ~4.5 | 1.2 | 28~280 | YCT200/4A-5.5 |
| G60-1 | ~6.5 | 0.6 | 25~250 | YCT200/4A-5.5 |
| G60-2 | ~6.5 | 1.2 | 25~250 | YCT200/4B-7.5 |
| G70-1 | ~8 | 0.6 | 25~250 | YCT200/4B-7.5 |
| G85-1 | ~12.5 | 0.6 | 18~180 | YCT225/4A-11 |
| G105-1 | ~20 | 0.6 | 14~140 | YCT225/4B-15 |
| G135-1 | ~35 | 0.6 | 10~100 | YCT250/4B-22 |
由于這兩部分的特殊幾何形狀,G型單螺桿泵形成了一個單獨的密閉腔室。介質沿軸向均勻流動。內部流量低,體積不變,壓力穩定。因此,不會發生湍流和攪動。每級泵的輸出壓力為0.6MPa,揚程為60m(淡水),自吸高度通常為6m或更高。由于定子由多種彈性材料制成,因此這種泵的特點是普通泵無法處理高粘度流體或含有硬質懸浮顆粒或纖維的介質的供應。流速與速度成正比。
G型單螺桿泵結構緊湊,容量小且易于維護。對介質適應性強,流量穩定,壓力脈動小,自吸能力強。工作溫度可以達到120°C,如果需要將高溫介質從120°C輸送到350°C,可以對其進行定制。G型單螺桿泵廣泛應用于食品,冶金,造紙,印染,化工,化肥,制藥等工業領域。
G型衛生級螺桿泵適用范圍
G型單螺桿泵的適用范圍如下展示
環境保護‘工業污水、生活污水、含有固體顆粒及短纖維的污泥濁水的輸送,特別使用于油水分離器
板框壓濾機設備等。
船舶工業:輪底清洗、油水、油渣、油污水等戒指輸送。
石油工業:輸送原油、原油與水的混合物、煤田氣和水的混合物、往地層內灌注聚合物等。
醫藥、日化:各種粘稠漿、乳化液、各種軟膏化裝品
食品罐頭行業:各種粘稠淀粉、濃酒糟、糧食制品渣、各種醬類、漿類、固體物漿液
建筑行業:水泥沙漿、石灰漿、涂料、糊狀體的噴涂
采礦行業:礦井內的固體顆粒、地下水、污漿水
化學行業:各種懸浮液、油脂、各種膠體漿、各種粘合劑
印刷、造紙:高粘度油墨、墻紙的PVC高分子塑料糊和各種濃度的紙漿,短纖維漿料
工業鍋爐、電廠:水煤漿輸送
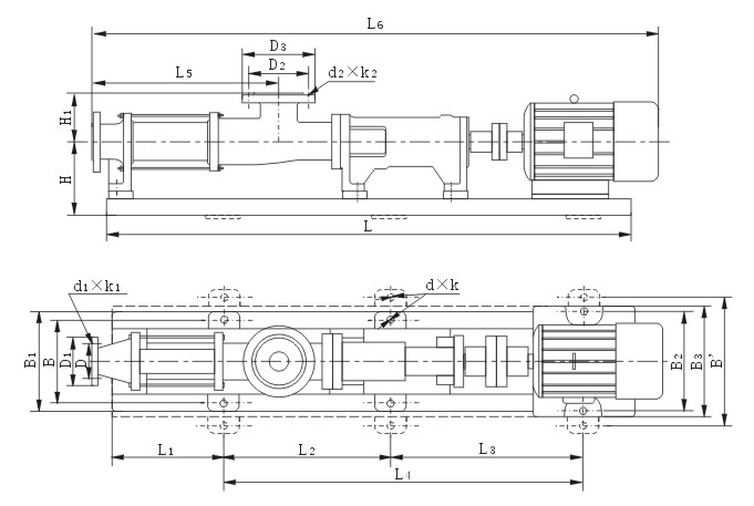
G型衛生級螺桿泵安裝尺寸圖

G型衛生級螺桿泵安裝尺寸表
| 型號 | L | LI | L2 | L3 | L4 | L5 | L6 | H | H1 | B | B1 | B2 | B3 | B | D | D1 | D2 | D3 | d*k | d1*k1 | d2*k2 |
| G20-1 | 1010 | 225 | 690 | 360 | 1150 | 150 | 95 | 160 | 190 | 185 | 215 | 85 | 115 | 85 | 115 | 4*12 | 4*14 | 4*14 | |||
| G25-1 | 101 | 225 | 690 | 360 | 1150 | 150 | 95 | 160 | 190 | 185 | 215 | 85 | 115 | 100 | 135 | 4*12 | 4*14 | 4*14 | |||
| G25-2 | 1140 | 185 | 850 | 470 | 1300 | 150 | 95 | 160 | 200 | 220 | 250 | 85 | 115 | 100 | 435 | 4*12 | 4*14 | 4*14 | |||
| G30-1 | 1150 | 200 | 850 | 420 | 1300 | 170 | 130 | 195 | 225 | 220 | 250 | 110 | 145 | 125 | 160 | 4*12 | 4*18 | 4*18 | |||
| G30-2 | 1360 | 250 | 1000 | 575 | 1540 | 190 | 130 | 220 | 250 | 250 | 290 | 110 | 145 | 125 | 160 | 4*12 | 4*18 | 4*18 | |||
| G35-1 | 1230 | 225 | 890 | 450 | 1410 | 190 | 135 | 220 | 250 | 260 | 285 | 125 | 160 | 145 | 180 | 4*14 | 4*18 | 4*18 | |||
| G35-2 | 1450 | 125 | 600 | 600 | 615 | 1610 | 190 | 135 | 220 | 250 | 260 | 290 | 125 | 160 | 145 | 180 | 6*14 | 4*18 | 4*18 | ||
| G40-1 | 1350 | 225 | 990 | 470 | 1510 | 200 | 130 | 220 | 250 | 260 | 285 | 145 | 180 | 160 | 195 | 4*14 | 4*18 | 4*18 | |||
| G40-2 | 1540 | 120 | 650 | 650 | 665 | 1700 | 200 | 130 | 220 | 260 | 260 | 290 | 145 | 180 | 160 | 195 | 6*14 | 4*18 | 4*18 | ||
| G50-1 | 1480 | 135 | 580 | 630 | 550 | 1620 | 225 | 150 | 250 | 280 | 250 | 290 | 160 | 195 | 180 | 215 | 6*16 | 8*18 | 8*18 | ||
| G50-2 | 1800 | 140 | 760 | 760 | 790 | I960 | 225 | 150 | 250 | 280 | 300 | 330 | 160 | 195 | 180 | 215 | 6*16 | 8*18 | 8*18 | ||
| G60-1 | 1720 | 175 | 680 | 690 | 570 | 1810 | 225 | 160 | 260 | 300 | 300 | 330 | 180 | 215 | 210 | 245 | 6*16 | 8*18 | 8*18 | ||
| G60-2 | 2040 | 200 | 800 | 800 | 820 | 2140 | 225 | 160 | 350 | 400 | 180 | 215 | 210 | 245 | 6*16 | 8*18 | 8*18 | ||||
| G70-1 | 1950 | 175 | 800 | 800 | 680 | 2120 | 245 | 150 | 350 | 400 | 210 | 245 | 240 | 280 | 8*18 | 8*18 | 8*18 | ||||
| G85-1 | 2620 | 210 | 1100 | 1100 | 945 | 2810 | 275 | 170 | 350 | 400 | 240 | 280 | 225 | 265 | 8*18 | 8*18 | 8*18 | ||||
| G105-1 | 1193 | 300 | 195 | 295 | 340 | 280 | 320 | 8*18 | 12*22 | 8*18 | |||||||||||
| G135-1 |







